把将直流电能变换成交流电能的过程称为逆变,把完成逆变功能的电路称为逆变电路,把实现逆变过程的装置称为逆变设备或逆变器。那么你是否理解逆变器电路图,接下来分享逆变器原理电路图解。
一、什么是逆变器
逆变器是一种把直流电能(电池、蓄电瓶)转变成交流电(普通为220伏50HZ正弦波或方波)的安装。我们常见的应急电源,普通是把直流电瓶逆变成220V交流的。简单来讲,逆变器就是一种将直流电转化为交流电的安装。它由逆变桥、控制逻辑和滤波电路组成。是一种DC to AC的变压器,它其实与转化器是一种电压逆变的过程。转换器是将电网的交流电压转变为稳定的12V直流输出,而逆变器是将Adapter输出的12V直流电压转变为高频的高压交流电。
以下是整个过程的电路图:
二、逆变器的特点
1、转换效率高、启动快;
2、安全性能好:产品具备短路、过载、过/欠电压、超温5种保护功能;
3、物理性能良好:产品采用全铝质外壳,散热性能好,表面硬氧化处理,耐摩擦性能好,并可抗一定外力的挤压或碰击;
4、带负载适应性与稳定性强。
三、逆变器原理电路解析
将220V交流电转变为24V、36V、48V都比较简单,只需要使用变压器的原理。电磁互感,就可以获得不同的电压。
设闭合电路是一个n匝线圈,且穿过每匝线圈的磁通量变化率都相同,这时相当于n个单匝线圈串联而成,因此感应电动势变为
根据公式可知,E就是电动势,也就是电压。因为
不变,只要铁块两端的线圈数量n不一样就可以达到变压的效果。
将交流电转变为直流电只要加上二极管就可以达到需要的效果,二极管是一种具有两个电极的装置,只允许电流由单一方向流过,许多的使用是应用其整流的功能。然后再利用变压器原理就可以将220V交流电转变成12V直流电,以及我们手机充电器的5V直流输出电压。
四、常见的逆变器电路图
以下是一款较为容易制造的逆变器电路图,能够将12V直流电源电压逆变为220V市电电压,电路由BG2和BG3组成的多谐振荡器推进,再经过BG1和BG4驱动,来控制BG6和BG7工作。其中振荡电路由BG5与DW组的稳压电源供电,这样能够使输出频率比拟稳定。在制造时,变压器可选有常用双12V输出的市电变压器。可依据需求,选择恰当的12V蓄电池容量。
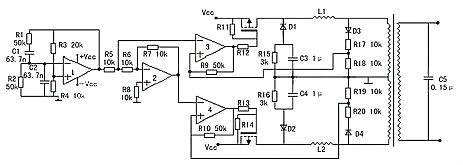
五、正弦波逆变器电器图
以下是一款高效率的正弦波逆变器电器图,该电路用12V电池供电。先用一片倍压模块倍压为运放供电。可选取ICL7660或MAX1044。运放1产生50Hz正弦波作为基准信号。运放2作为反相器。运放3和运放4作为迟滞比拟器。其实运放3和开关管1构成的是比例开关电源。运放4和开关管2也同样。它的开关频率不稳定。在运放1输出信号为正相时,运放3和开关管工作。这时运放2输出的是负相。这时运放4的正输入端的电位(恒为0)总比负输入端的电位高,所以运放4输出恒为1,开关管关闭。在运放1输出为负相时,则相反。这就完成了两开关管交替工作。
当基准信号比检测信号,也即是运放3或4的负输入端的信号比正输入端的信号高一微小值时,比拟器输出0,开关管开,随之检测信号疾速进步,当检测信号比基准信号高一微小值时,比拟器输出1,开关管关。这里要留意的是,在电路翻转时比拟器有个正反应过程,这是迟滞比拟器的特性。比方说在基准信号比检测信号低的前提下,随着它们的差值不时地靠近,在它们相等的霎时,基准信号马上比检测信号高出一定值。这个“一定值”影响开关频率。它越大频率越低。这里选它为0.1~0.2V。
C3,C4的作用是为了让频率较高的开关续流电流经过,而对频率较低的50Hz信号产生较大的阻抗。C5由公式:50=算出。L普通为70H,制造时最好测一下。这样C为0.15μ左右。R4与R3的比值要严厉等于0.5,大了波形失真明显,小了不能起振,但是宁可大一些,不可小。开关管的最大电流为:I==25A。
以上是今天分享的逆变器电路图讲解。现有的逆变器,有方波输出和正弦波输出两种。方波输出的逆变器效率高,关于采用正弦波电源设计的电器来说,除少数电器不适用外大多数电器都可适用,正弦波输出的逆变器就没有这方面的缺陷,却存在效率低的缺陷,如何选择这就需求依据本人的需求了。
400-855-1855
0592-3754999
邮箱:sales@mbt-energy.com 售后:service@mbt-energy.com